Language
Current Location:Home Page >Products >Other insulation parts series

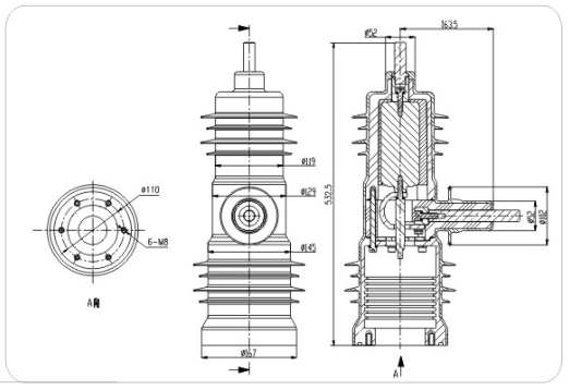
产品名称:柱上绝缘筒
产品型号:ZW33-12-01
Product design drawing:

ADD:Shuguang Road, Jingshan Changle industrial, Zone Yuhang, Hangzhou P.C.:311116
TEL:0571-88531068, 57872536 FAX:0571-88531618
URL:www. E-Mail:hihi@leyutiyuvip.163.com
Copyright © 2019 Hangzhou Shuguang Electric Appliance Co.,Ltd. All Rights Reserved.
浙ICP备05013746号
Mobile Web
