Language
当前位置:首页 >产品中心 >40.5kV绝缘件系列 >40.5kV绝缘筒系列
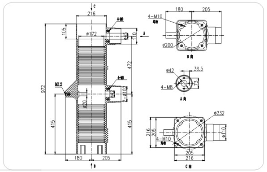
产品名称:绝缘筒
产品型号:JTZ102-40.5(3AV3A)
额定电压:40.5kV
产品设计图: